Nội Dung Chính
Trang 19
| Khởi động Dòng điện được truyền từ nhà máy đến nơi tiêu thụ là dòng điện xoay chiều, nhưng một số thiết bị điện tử lại sử dụng dòng điện một chiều. Làm thế nào chuyển từ dòng điện xoay chiều thành dòng điện một chiều? |
I. DIODE BÁN DẪN
Diode bán dẫn (Hình 4.1a) là linh kiện bán dẫn cho dòng điện đi qua theo một chiều.
Cấu tạo của diode bán dẫn có hai cực là anode (kí hiệu là A) và cathode (kí hiệu là K). Diode trong các mạch điện được kí hiệu như Hình 4.1b.

Hình 4.1. Diode bán dẫn và kí hiệu
a) Diode
b) Kí hiệu diode
Cathode
Anode
Đối với dòng điện một chiều, khi mắc diode có anode nối với cực dương và cathode nối với cực âm của nguồn (mắc phân cực thuận Hình 4.2a) thì nó cho dòng điện chạy qua, gọi là dòng điện thuận. Nếu mắc diode theo chiều ngược lại (mắc phân cực ngược – Hình 4.2b) tức là cực dương của nguồn điện nối với cathode và cực âm nối với anode thì dòng điện đi qua có cường độ rất nhỏ, gọi là dòng điện ngược. 
Hình 4. 2. Diode mắc phân cực thuận và mắc phân cực ngược trong mạch điện một chiều
Đèn sáng
Đèn không sáng
a) Diode mắc phân cực thuận
b) Diode mắc phân cực ngược
EM CÓ BIẾT?

Hình 4.3. Đường đặc trưng I – U của diode
Cường độ dòng điện
Dòng điện thuận
Dòng điện ngược
Điện áp
Diode bán dẫn thực chất là một lớp chuyển tiếp p-n trong khối chất bán dẫn. Mối quan hệ giữa dòng điện thuận và dòng điện ngược với điện áp qua diode có dạng như Hình 4.3.
Trang 20
Hoạt động
Thí nghiệm khảo sát mối quan hệ giữa dòng điện chạy qua diode bán dẫn và điện áp giữa hai cực của nó
Mục đích thí nghiệm: Vẽ đường đặc trưng I - U (đường biểu diễn mối quan hệ giữa dòng điện chạy qua diode bán dẫn và điện áp giữa hai cực của nó).
Dụng cụ:
Diode bán dẫn (1), điện trở 10 Ω (2), biến trở 0–100 Ω (3), công tắc (4), hai đồng hồ đo điện đa năng (5), biến áp nguồn (6), bảng lắp mạch điện (7), dây nối (8) (Hình 4.5).

Hình 4.4. Dụng cụ thí nghiệm khảo sát mối quan hệ giữa cường độ dòng điện và điện áp giữa hai cực của diode

Hình 4.5. Sơ đồ khảo sát đường đặc trưng I – U của diode
a) Sơ đồ mắc diode khảo sát dòng điện thuận
b) Sơ đồ mắc diode khảo sát dòng điện ngược
Thiết kế phương án:
- Thảo luận các bước thí nghiệm để tìm mối liên hệ giữa cường độ dòng điện và điện áp.
- Nêu các bước vẽ đường đặc trưng I−U của diode.
Tiến hành:
Điều chỉnh biến áp nguồn ở chế độ dòng điện một chiều có điện áp đầu ra 7 V.
Trang 21
a) Phân cực thuận
- Lắp ráp dụng cụ theo sơ đồ mạch điện như Hình 4.5a.
- Điều chỉnh biến trở để số chỉ vôn kế tăng dần từ 0.
- Ghi số chỉ trên vôn kế, ampe kế vào vở sau mỗi lần điều chỉnh biến trở theo mẫu Bảng 4.1 (mắc thuận).
b) Phân cực ngược
- Lắp ráp dụng cụ theo sơ đồ mạch điện như Hình 4.5b.
- Điều chỉnh biến trở để số chỉ vôn kế tăng dần từ 0.
- Ghi số chỉ trên vôn kế, ampe kế vào vở sau mỗi lần điều chỉnh biến trở theo mẫu Bảng 4.1 (mắc thuận).
Chú ý: Khi mắc mạch phân cực ngược U < 0.
Bảng 4.1. Điện áp giữa hai cực diode và cường độ dòng điện chạy qua diode
| Mắc phân cực thuận | Mắc phân cực ngược | ||||
| Lần đo | U (V) | I (mA) | Lần đo | U (V) | I (mA) |
| 1 | 0 | 0 | 1 | -5 | 0 |
| 2 | 0,40 | 0,0 | 2 | -4 | 0 |
| 3 | 0,50 | 0,1 | 3 | -3 | 0 |
| 4 | 0,60 | 1,0 | 4 | -2 | 0 |
| 5 | 0,68 | 5,0 | 5 | -1 | 0 |
| 6 | 0,71 | 10,0 | |||
| 7 | 0,75 | 20,0 | |||
| 8 | 0,81 | 52,0 | |||
| 9 | 0,88 | 100,0 | |||
| 10 | 0,92 | 150,0 | |||
Thực hiện các yêu cầu sau:
1. Từ kết quả thí nghiệm thu được ở Bảng 4.1, hãy vẽ đường đặc trưng IU của diode.
2. Nhận xét về giá trị của cường độ dòng điện qua diode khi diode mắc thuận và khi diode mắc ngược.
Trang 22
II. CHỈNH LƯU DÒNG ĐIỆN XOAY CHIỀU
Chỉnh lưu dòng điện là chuyển từ dòng điện xoay chiều sang dòng điện một chiều.
Dựa vào tính dẫn điện một chiều của diode bán dẫn, ta có thể sử dụng diode để biến dòng điện xoay chiều thành dòng điện một chiều. Ta nói diode có tính chỉnh lưu.
1. Chỉnh lưu nửa chu kì
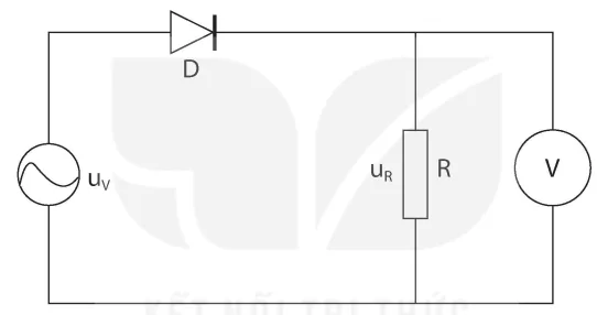
Nếu chỉ sử dụng một diode bán dẫn trong mạch điện xoay chiều thì ta sẽ chỉnh lưu được nửa chu kì dòng điện.
Mắc nối tiếp điện trở R với một diode bán dẫn (D) như sơ đồ Hình 4.6.
Giả thuyết điện trở của diode khi phân cực thuận là rất nhỏ. Trong sơ đồ Hình 4.6, điện áp chưa chỉnh lưu (

Hình 4.6. Sơ đồ mạch điện chỉnh lưu nửa chu kì

Hình 4.7a. Đồ thị điện áp chưa chỉnh lưu qua diode
Trang 23

Hình 4.7b. Đồ thị điện áp đã chỉnh lưu qua diode
Hoạt động
Quan sát Hình 4.7a và Hình 4.7b, thực hiện các yêu cầu sau:
1. Nêu sự khác nhau về hình dạng đồ thị điện áp vào và điện áp ra theo thời gian.
2. Mô tả dòng điện chạy trong mạch khi hiệu điện thế giữa anode và cathode của diode là âm hoặc dương.
2. Chỉnh lưu cả chu kì
Khi cần chỉnh lưu cả chu kì (2 nửa chu kì dòng điện) người ta sử dụng 4 diode bán dẫn, mắc thành mạch cầu chỉnh lưu như Hình 4.8.

Hình 4.8. Cầu chỉnh lưu cả chu kì bằng 4 diode bán dẫn 
,
,
.
Câu hỏi
Từ sơ đồ như Hình 4.8, hãy chứng tỏ rằng dù hiệu điện thế giữa hai điểm 1 và 3 có giá trị dương hay âm thì hiệu điện thế giữa điểm 2 và điểm 4 luôn có giá trị dương.
Khảo sát dòng điện xoay chiều qua mạch cầu chỉnh lưu với sơ đồ như Hình 4.8, người ta thu được đồ thị điện áp giữa hai đầu đoạn mạch và điện áp qua điện trở mô tả như trong Hình 4.9 và Hình 4.10.
Trang 24

Hình 4.9. Đồ thị điện áp giữa hai đầu đoạn mạch

Hình 4.10. Đồ thị điện áp giữa hai đầu điện trở
Hoạt động
Quan sát Hình 4.9 và Hình 4.10, thực hiện các yêu cầu sau:
1. Nêu sự khác nhau về hình dạng đồ thị điện áp giữa hai đầu đoạn mạch và hai đầu điện trở.
2. Hãy mô tả chiều dòng điện chạy qua điện trở R (Hình 4.8) trong mỗi chu kì.
3. Hãy so sánh đồ thị điện áp chỉnh lưu nửa chu kì (Hình 4.7b) và chỉnh lưu cả chu kì (Hình 4.10).
EM ĐÃ HỌC
• Diode bán dẫn cho dòng điện chạy theo một chiều từ anode đến cathode.
• Dòng điện xoay chiều đi qua các diode bán dẫn biến đổi thành dòng điện một chiều. Cách chỉnh lưu dòng điện xoay chiều nửa chu kì và cả chu kì bằng diode bán dẫn.
EM CÓ THỂ
• Giải thích được cách chỉnh lưu dòng điện xoay chiều thành dòng điện một chiều bằng diode bán dẫn.
• Thiết kế được mạch chỉnh lưu dòng điện xoay chiều nửa chu kì và cả chu kì thành dòng điện một chiều.
• Giải thích được hoạt động của thiết bị sạc điện.
EM CÓ BIẾT?
Trong mạch cầu chỉnh lưu cả chu kì, điện áp sau chỉnh lưu không đổi chiều nhưng có giá trị vẫn thay đổi theo thời gian. Để giảm sự thay đổi giá trị này người ta thường mắc thêm tụ điện vào mạch như Hình 4.11.

Hình 4.11. Cầu chỉnh lưu có mắc tụ điện
Sau khi lắp tụ điện vào mạch chỉnh lưu hai nửa chu kì thì đồ thị điện áp sau chỉnh lưu (Hình 4.11) sẽ "phẳng" hơn.
Bình Luận
Để Lại Bình Luận Của Bạn