Nội Dung Chính
(Trang 54)
| Trong ngôi nhà thông minh, cánh cửa có thể tự động đóng mở khi có người qua lại, vòi nước có thể tự mở và tự khoá khi có người sử dụng, bóng đèn có thể tự bật tắt khi trời tối và tự tắt khi trời sáng. Làm thế nào để các thiết bị này có thể hoạt động được như vậy? |
I. MẠCH ĐIỆN TẠO TÍN HIỆU ĐIỀU KHIỂN THIẾT BỊ TỰ ĐỘNG SỬ DỤNG CẢM BIẾN
| Bộ khuếch đại thuật toán kết hợp với cảm biến có thể tạo thành mạch điện đơn giản để điều khiển thiết bị tự động. Thông thường mạch điện này sẽ gồm một bộ khuếch đại thuật toán để khuếch đại tín hiệu từ cảm biến. Tín hiệu đầu ra của mạch khuếch đại sẽ được đưa tới một mạch điều khiển thiết kế riêng cho thiết bị cần điều khiển. Thông qua mạch điện này, thiết bị sẽ được điều khiển bằng tín hiệu của cảm biến (Hình 9.1).
Hình 9.1. Sơ đồ khối mạch tạo tín hiệu điều khiển thiết bị. |
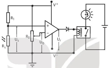
Hình 9.2. Sơ đồ mạch điện tạo tín hiệu bật tắt thiết bị sử dụng cảm biến. |
Tín hiệu từ cảm biến
Tín hiệu đầu ra
Hình 9.2 là sơ đồ của mạch điện đơn giản tạo tín hiệu điều khiển bật tắt thiết bị sử dụng bộ khuếch đại thuật toán. Với mạch khuếch đại thuật toán này, tín hiệu đầu vào (chân –) là điện áp đầu vào Uo hoặc Us còn tín hiệu đầu vào (chân +) là điện áp đầu ra Us. Trong trường hợp ngược lại, điện áp đầu ra sẽ bằng điện áp âm nguồn (mức thấp). Điện trở R1 được điều chỉnh để tạo ra điện áp Uo ở đầu vào đảo.
Biến trở R0 được điều chỉnh để tạo ra điện áp US ở đầu vào đảo. Điện trở R1 và R2 được mắc để tạo ra điện áp US ở đầu vào không đảo. Tuỳ thuộc vào tỉ số
mà điện áp US có thể lớn hơn hoặc nhỏ hơn U0. Nếu thay R1 hoặc R2 bằng một cảm biến thì điện áp US sẽ thay đổi theo sự thay đổi điện trở của cảm biến. Nhưr vậy, mỗi khi US, vượt qua giá trị U0, thì điện áp đầu ra sẽ thay đổi mức giá trị. Nếu nối đầu ra với một relay hoặc một thiết bị cảnh báo thì ta sẽ có một thiết bị đóng ngắt mạch điện hoặc cảnh báo ngưỡng tự động.
| ? 1. Vai trò của bộ khuếch đại thuật toán trong sơ đồ Hình 9.1 là gì? Có thể dùng tín hiệu trực tiếp từ cảm biến 2. Tại sao điện trở của cảm biến trong Hình 9.2 thay đổi lại làm tín hiệu điện áp tới chân vào không đảo của bộ khuếch đại thuật toán thay đổi? |
(Trang 55)
II. MỘT SỐ MẠCH ĐIỆN ỨNG DỤNG CẢM BIẾN
1. Mạch điện tự động chiếu sáng
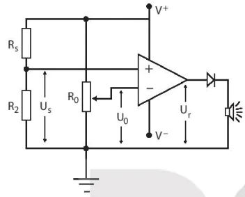
Hình 9.3 là sơ đồ mạch điện của thiết bị tự bật điện khi trời tối và tắt điện khi trời sáng. Mạch điện này được thiết kế dựa theo sơ đồ Hình 9.2, trong đó điện trở R2 được thay bằng cảm biến quang điện Rs. Con chạy của biến trở R0 được đặt ở vị trí sao cho điện áp U0, chỉ nhỏ hơn điện áp Us lúc trời tối một chút. Như vậy,khi trời tối điện áp Us ở mức cao, relay sẽ đóng mạch làm cho đèn sáng. Khi trời sáng điện áp Us sẽ giảm xuống thấp hơn điện áp U0 do đó điện áp Ur ở mức thấp, relay sẽ ngắt mạch để tắt đèn. Với nguyên tắc hoạt động của mạch điện như trên, bóng đèn sẽ tự bật khi trời tối và tự tắt khi trời sáng.

Hình 9.3. Sơ đồ mạch điện thiết bị tự động chiếu sáng
| ? Trong sơ đồ mạch điện tự chiếu sáng, tại sao phải đặt điện áp U chỉ cao hơn giá trị điện áp trên cảm biến lúc trời tối một chút? |
| EM CÓ BIẾT Với mạch điện trong Hình 9.3, nếu chúng ta thay quang điện trở bằng một nhiệt điện trở NTC và thay bóng đèn bằng một lò sưởi thì chúng ta sẽ có một mạch điện cho thiết bị tự động bật tắt lò sưởi với nguyên tắc hoạt động tương tự như mạch tự động bật tắt đèn. Bảng việc thay đổi loại cảm biến và thiết bị tải, chúng ta có thể thiết kế được rất nhiều thiết bị hoạt động tự động khác nhau phục vụ cuộc sống. |
2. Mạch điện cảnh báo rò rỉ khí cháy nổ
Dựa vào sơ đồ mạch điện Hình 9.2, bằng cách thay điện trở R1 bằng cảm biến phát hiện khí cháy nổ Rk. Đầu ra của bộ khuếch đại thuật toán được nối với còi báo, khi đó ta có thiết bị cảnh báo rò rỉ khí cháy nổ (Hình 9.4).
(Trang 56)
Mạch cảnh báo rò rỉ khí cháy nổ hoạt động tương tự như mạch tự động bật tắt bóng đèn. Con chạy của biến trở R1 được đặt sao cho điện áp Uo chỉ cao hơn điện áp U2 một chút khi không có rò rỉ khí. Như vậy, khi không có rò rỉ khí, điện áp Us ở mức thấp, còi không kêu. Khi có rò rỉ khí, điện trở của cảm biến giảm xuống đột ngột làm cho điện áp Us tăng nhanh. Nếu điện áp Us tăng cao hơn điện áp Uo, thì điện áp U2 sẽ ở mức cao, còi báo sẽ được kích hoạt để phát ra âm thanh. Hình 9.4. Sơ đồ mạch điện của thiết bị cảnh báo rò rỉ khí cháy nổ
|
Hình 9.4. Sơ đồ mạch điện của thiết bị cảnh báo rò rỉ khi chảy nổ |
Hình 9.5. Thiết bị cảnh báo rò rỉ khi cháy nổ |
3. Mạch điện tự động đóng mở van nước
Có thể thay đổi mạch điện Hình 9.2 để được mạch điện đóng mở van nước tự động. Mạch điện này đòi hỏi phải có một bộ diode thu phát bức xạ hồng ngoại (Hình 9.6) để tạo thì hiệu điều khiển. Diode thu hồng ngoại D1 sẽ thay cho R1 trong sơ đồ mạch điện Hình 9.2. Diode phát hồng ngoại D2 được nối với tiếp với điện trở R (để tránh hỏng diode) có nhiệm vụ phát ra tia hồng ngoại.

Hình 9.6. Bộ diode thu phát hồng ngoại

Hình 9.7. Kí hiệu diode thu bức xạ hồng ngoại
Diode thu bức xạ hồng ngoại hoạt động giống như một cảm biến ánh sáng hoạt động trong vùng hồng ngoại và được kí hiệu như Hình 9.7.
Trong mạch điện, diode này được mắc theo phân cực ngược. Khi có tia hồng ngoại chiếu vào thì điện trở phân cực ngược của nó sẽ giảm, cường độ tia hồng ngoại càng mạnh thì điện trở càng giảm nhiều. Diode phát bức xạ hồng ngoại thực chất là một đèn LED phát ra bức xạ hồng ngoại. Trong mạch điện, diode này được mắc theo phân cực thuận. Để thuận tiện, ta gọi diode thu bức xạ hồng ngoại là đầu thu và diode phát bức xạ hồng ngoại là đầu phát.
(Trang 57)
Hình 9.8 là sơ đồ mạch điện đóng mở van nước tự động. Trong thiết kế ứng dụng, cấp đầu thu phát được gắn ở vòi nước theo chiều hướng xuống dưới (Hình 9.9). Biến trở R1 được điều chỉnh sao cho khi đầu thu phát có vật thể (ví dụ tay người) ở gần, tín hiệu từ đầu thu sẽ làm cho điện áp đầu ra của bộ khuếch đại thuật toán ở mức thấp, van nước ở trạng thái khóa. Khi đưa tay tới gần vòi nước, tia hồng ngoại phản xạ trên tay sẽ tới đầu thu phát, làm điện trở của diode này thay đổi, van nước sẽ mở. Kết quả là điện áp lối ra ở mức cao và relay sẽ đóng mạch để mở khóa van nước.
|
Hình 9.8. Mạch điện đóng mở van nước tự động |
Hình 9.9. Mô hình vòi nước rửa tay tự động: D1 là diode phát hồng ngoại, D2 là diode thu hồng ngoại |
| ? Tại sao khi đưa tay tới gần vòi nước (Hình 9.9) thì tín hiệu phản xạ hồng ngoại tới đầu thu hồng ngoại lại tăng lên? |
4. Mạch điện đo nhiệt độ
Vôn kế chi thị nhiệt độ có thể được dùng để hiển thị giá trị nhiệt độ cho nhiệt kế sử dụng cảm biến nhiệt điện trở NTC. Mạch khuếch đại thuật toán được theo sơ đồ Hình 9.10 cho phép khuếch đại tín hiệu từ cảm biến hiển thị trên đầu vào. Vốn kế được mắc ở lối ra của mạch khuếch đại. Các điện trở R1 và R2 được lựa chọn sao cho điện áp lối ra phụ thuộc vào nhiệt độ của vốn kế. R1 là cảm biến nhiệt điện trở NTC. Với sơ đồ mạch như trên thì ứng với mỗi nhiệt độ của cảm biến sẽ có một điện áp lối ra của mạch khuếch đại. Do góc quay của kim vốn kế tỉ lệ với điện áp nên ứng với mỗi giá trị của nhiệt độ sẽ có một giá trị của góc quay. Ngược lại, khi biết được góc quay của kim vốn kế, chúng ta cũng biết được nhiệt độ của cảm biến.

Hình 9.10. Sơ đồ mạch đo nhiệt độ sử dụng cảm biến nhiệt điện trở NTC
Để tạo các vạch chi thị nhiệt độ trên vốn kế chúng ta phải tiến hành hiệu chuẩn thiết bị bằng một kế chuẩn. Nhiệt độ kế là giá trị nhiệt độ của cảm biến, vốn kế chi góc quay tương ứng. Các vị trí góc quay ứng với từng nhiệt độ được đánh dấu trên thang chia độ. Quá trình này được thực hiện trên một dải nhiệt độ để có được đầy đủ các vạch chia trên thang đo.
(Trang 58)
| Thực hiện dự án thiết kế một số mạch điện ứng dụng đơn giản có sử dụng thiết bị đầu ra theo các bước sau: Bước 1: Xác định nhiệm vụ: Tìm hiểu về một số ứng dụng đơn giản của mạch điện có sử dụng cảm biến và thiết bị đầu ra trong thực tế và thống nhất lựa chọn một số ứng dụng đơn giản có sử dụng cảm biến và thiết bị đầu ra. Bước 2: Xác định ý tưởng thiết kế mạch điện đơn giản để thực hiện ứng dụng đã lựa chọn ở trên. Bước 3: Thống nhất tiêu chí đánh giá mạch điện ứng dụng đơn giản có sử dụng cảm biến và thiết bị đầu ra. Bước 4: Thực hiện thiết kế mạch điện có sử dụng cảm biến và thiết bị đầu ra theo các tiêu chí đã đề xuất. Bước 5: Xây dựng báo cáo và nội dung trình bày về ứng dụng của mạch điện đơn giản có sử dụng cảm biến và thiết bị đầu ra đã thiết kế đảm bảo có hình ảnh thực tế và bản thiết kế rõ thực hiện. Bước 6: Báo cáo và đánh giá dự án đã thực hiện. |
| EM ĐÃ HỌC
|
| EM CÓ THỂ
|
| EM CÓ BIẾT Mạch điện tự động đóng mở van nước có thể cải tiến để trở thành mạch điện đóng mở cửa tự động bằng cách thay van nước bằng mô tơ chuyên dụng và sử dụng relay chuyên mạch để thay đổi chiều quay của mô tơ. Khi có người đi tới gần cửa, đầu thu hồng ngoại nhận tia hồng ngoại phản xạ trên người làm relay đóng mạch cho cửa mở. Khi người đi qua, bức xạ hồng ngoại ở đầu thu hồng ngoại yếu, relay chuyển mạch sang trạng thái đảo chiều quay của động cơ là cho cửa đóng. |






Bình Luận
Để Lại Bình Luận Của Bạn